
📸 2
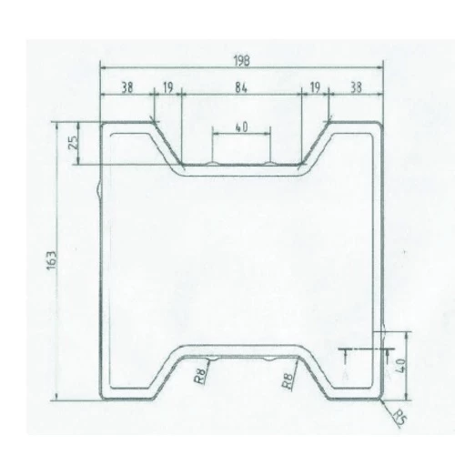
بلاط انترلوك بيهاتون لون رمادي غامق، مقاس 198×163×80 مم | شركة أوبال
(347 عدد مشاهدات المنتج)

بلاط انترلوك بيهاتون لون رمادي غامق، مقاس 198×163×80 مم من شركة أوبال، يمنح قوة تحمل عالية ولمسة فنية فريدة.
وصف المنتج
بلاط رصيف انترلوك هولاند مستطيل من شركة أوبال مصنوع من مواد عالية الجودة، يتميز بقوة التحمل ومقاومة الظروف الجوية القاسية مثل درجات الحرارة العالية والرطوبة. يتحمل الأوزان الثقيلة دون تشققات أو تآكل، ويتميز بسهولة التركيب والصيانة، حيث يمكن تركيبه دون الحاجة إلى معدات متخصصة ولا يتطلب صيانة دورية مكلفة. يستخدم في رصف الشوارع، الطرق، الحدائق، المنتزهات، مواقف السيارات وغيرها. كما أنه مقاوم للاحتكاك ويسهل تنظيفه. متوفر بألوان وأشكال متنوعة تناسب جميع الأذواق.
- التصميم: بيهاتون
- المقاس: 198×163×80 مم
- الوزن: 4.70 كجم
- اللون: رمادي غامق
- الكمية لكل طبقة: 1.0 متر مربع
- عدد الطبقات لكل بليت: 13 طبقة
- الكمية لكل بليت (13 طبقة): 13.00 متر مربع
- نسبة التفاوت للطول: ±2 مم
- نسبة التفاوت للعرض: ±2 مم
- نسبة التفاوت للارتفاع: ±3 مم
- المعيار: SASO-ASTM C936